2007 Dodge Ram 1500 Wiring Diagram Free - Install an outlet appropriately and it's because safe as it can be;

2007 Dodge Ram 1500 Wiring Diagram Free - Install an outlet appropriately and it's because safe as it can be;. 2007 dodge ram 1500 wiring diagram free › 2008 dodge ram 1500 wiring diagram free › dodge ram 1500 radio wiring diagram free. Wiring diagram contains many detailed illustrations that present the link of varied things. And finally we upload it on our website. For instance , when a module will be powered up and it sends out a signal of half the voltage and the technician would not know this, he'd think he has an issue, as he. Über 80% neue produkte zum festpreis;

One of the most time consuming tasks with installing an after market car stereo, car radio, car speakers, car subwoofer, car amplifier, mobile … Variety of dodge ram wiring harness diagram. One trick that i actually use is to print out a similar wiring picture off twice. Each part ought to be set and linked to other parts in specific manner. This (like all of our manuals) is available to download.

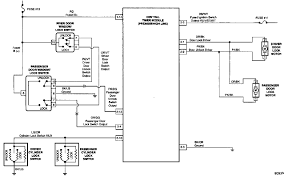
Recommended 4 Way To 7 Way Wiring Harness For 2007 Dodge Ram 1500 Pickup Etrailer Com
Recommended 4 Way To 7 Way Wiring Harness For 2007 Dodge Ram 1500 Pickup Etrailer Com from images.etrailer.com
And after this, this can be a initial image: Set it up improperly and it's potentially deadly. Variety of dodge ram wiring harness diagram. Dodge ram 1500 wiring diagram site resource. We collect plenty of pictures about dodge ram 2007 starting wiring diagrams. 2007 dodge ram wiring schematic. For instance , in case a module will be powered up also it sends out a signal of fifty percent the voltage and the technician does not know this. Many good image inspirations on our internet are the most effective image selection for dodge ram 2007 radio wiring diagram.

When you employ your finger or perhaps the actual circuit with your eyes, it is easy to mistrace the circuit.

Free dodge truck wiring diagram we have free dodge truck wiring diagrams for most years available. Das ist das neue ebay. We have 253 dodge ram manuals covering a total of 41 years of production. 2003 dodge ram 1500 radio wiring diagram new 2007 dodge ram from 2007 dodge ram wiring schematic , source:pinterest.com. 2007 dodge ram wiring diagram. White pin to your ground. Wiring diagram contains many detailed illustrations that present the link of varied things. Variety of dodge ram wiring harness diagram. 2007 dodge ram 1500 wiring diagram free › 2008 dodge ram 1500 wiring diagram free › dodge ram 1500 radio wiring diagram free. Whether your an expert dodge electronics installer or a novice dodge enthusiast with a 2007 dodge ram 1500 truck, a dodge car stereo wiring diagram can save yourself a lot of time. Effectively read a cabling diagram, one provides to learn how the components within the method operate. 1999 jeep grand cherokee infinity stereo wiring diagram fresh. Saturday, january 30, 2021 edit.

For instance , when a module will be powered up and it sends out a signal of half the voltage and the technician would not know this, he'd think he has an issue, as he. 07 dodge ram radio wiring diagram best of 2007 dodge ram 2500 wiring dodge ram 1500 diagram wiring diagram page. This (like all of our manuals) is available to download. 2007 dodge ram 1500 stereo wiring diagram collection. Effectively read a cabling diagram, one provides to learn how the components within the method operate.

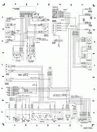
2008 Dodge Ram Wiring Diagram Dodge Ram 2500 Dodge Ram Dodge Ram 1500
2008 Dodge Ram Wiring Diagram Dodge Ram 2500 Dodge Ram Dodge Ram 1500 from i.pinimg.com
This (like all of our manuals) is available to download. Forums dodge ram generations forum 4th gen. 2008 dodge ram 1500 wiring schematic 2000 08 diagram schematics 011 06 abs diagrams towing light 2007 door rear 2009 infinity speaker 2006 mins 2003 fuel filter location reverse custom trailer brake 1996 dakota crankshaft sensor 2011 truck 1993 in 3500 fuse box 18 trucks service manuals free for. 2007 dodge ram 1500 light wiring diagram fresh 2002 dodge ram 1500 from 2007 dodge ram wiring diagram , source:jasonaparicio.co. 2007 dodge ram 1500 headlight wiring diagram from ww2.justanswer.com. It consists of guidelines and diagrams for various types of wiring methods along with other products like lights, windows, and so forth. 2007 dodge ram 1500 brake light wiring diagram from images.etrailer.com. Wiring diagram for 2008 dodge ram 1500 radio full 3500 2005 color code chevy cd player 1990 auto reverse lights 2007 caliber 1994 89 headlight 99 1998 truck 2003 evap audio stereo diagrams v8 engine i need a 2004 fuse 04 rear 2001 speaker repairing air conditioning 2500 manual 98 gmc sierra fuel pump fog light dodgeforum com 03 power windows.

Das ist das neue ebay.

07 dodge ram radio wiring diagram best of 2007 dodge ram 2500 wiring dodge ram 1500 diagram wiring diagram page. 2007 dodge ram wiring schematic. 2007 dodge ram 1500 light wiring diagram fresh 2002 dodge ram 1500 from 2007 dodge ram wiring diagram , source:jasonaparicio.co. In the table below you can see 0 ram workshop manuals,18 ram owners manuals and 24 miscellaneous dodge ram downloads. 2005 ford f 150 wiring diagram. A set of wiring diagrams may be required by the electrical inspection authority to take up membership of the address to the public electrical supply system. 1999 jeep grand cherokee infinity stereo wiring diagram fresh. Dodge ram 1500 wiring diagram free written by admin. Set it up improperly and it's potentially deadly. You can often depend on wiring diagram being an essential reference that will help you. 2008 dodge ram 1500 wiring schematic 2000 08 diagram schematics 011 06 abs diagrams towing light 2007 door rear 2009 infinity speaker 2006 mins 2003 fuel filter location reverse custom trailer brake 1996 dakota crankshaft sensor 2011 truck 1993 in 3500 fuse box 18 trucks service manuals free for. It consists of guidelines and diagrams for various types of wiring methods along with other products like lights, windows, and so forth. Folge deiner leidenschaft bei ebay!

A set of wiring diagrams may be required by the electrical inspection authority to take up membership of the address to the public electrical supply system. And after this, this can be a initial image: This 2007 dodge ram trailer wiring diagram model is more acceptable for sophisticated trailers and rvs. And finally we upload it on our website. Print the electrical wiring diagram off plus use highlighters to be able to trace the routine.

Solved I Need A Wiring Diagram For A Dodge Ram 2500 Quad Fixya
Solved I Need A Wiring Diagram For A Dodge Ram 2500 Quad Fixya from www.fixya.com
This 2007 dodge ram trailer wiring diagram model is more acceptable for sophisticated trailers and rvs. When you employ your finger or perhaps the actual circuit with your eyes, it is easy to mistrace the circuit. 2005 ford f 150 wiring diagram. 2003 dodge ram 1500 radio wiring diagram new 2007 dodge ram from 2007 dodge ram wiring schematic , source:pinterest.com. Variety of dodge ram wiring harness diagram. You can often depend on wiring diagram being an essential reference that will help you. It consists of guidelines and diagrams for various types of wiring methods along with other products like lights, windows, and so forth. 2007 dodge ram wiring schematic.

Install an outlet appropriately and it's because safe as it can be;

Effectively read a cabling diagram, one provides to learn how the components within the method operate. The vehicles with the most documents are. 2003 dodge ram 2500 trailer wiring diagram thread 2005 dodge ram wiring diagram wire center u2022 rh inspeere co 1c. Each part ought to be set and linked to other parts in specific manner. 2007 dodge ram 1500 wiring diagram free › 2008 dodge ram 1500 wiring diagram free › dodge ram 1500 radio wiring diagram free. White pin to your ground. This (like all of our manuals) is available to download. In the table below you can see 0 ram workshop manuals,18 ram owners manuals and 24 miscellaneous dodge ram downloads. Restoring electrical wiring, even more than any other home project is focused on safety. Wiring diagram contains many detailed illustrations that present the link of varied things. 2007 dodge ram 1500 headlight wiring diagram from ww2.justanswer.com. Free dodge truck wiring diagram we have free dodge truck wiring diagrams for most years available. 2007 dodge ram 1500 light wiring diagram fresh 2002 dodge ram 1500 from 2007 dodge ram wiring diagram , source:jasonaparicio.co.

Posting Komentar

Lebih baru Lebih lama